CARACTERÍSTICAS GENERALES:
– Controles de calidad, certificados de ensayo y de materiales según EN 10204-33.1B.
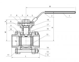
– Conexión: Rosca hembra GAS según DIN 2999.
– Doble estopa autoestanca.
– Dispositivo antiestático entre la bola y el eje.
– Paso total.
– Asiento en RPTFE.
– Eje antiexplosión.
– Accionamiento por palanca con sistema de bloqueo.
– Cuerpo de tres piezas y bola flotante.
– La válvula de bola debido a su diseño de accionamiento un cuarto de vuelta es muy fácil de actuar y la convierte en una válvula de acción rápida en su apertura y en su cierre, todo/nada.
CARACTERÍSTICAS TÉNICAS:
– Presión de trabajo 1000WOG (PN63).
– Temperatura de trabajo: -30 a 180ºC.
– Certificado PED97/23/EC (CE0035).
– Pruebas: API598, EN12266.
– Brida superior según la norma ISO 5211, que facilita el montaje directo de actuadores y eliminia los acoplamientos intermedios haciéndola una unidad más compacta. Debido a estas características, tiene un campo muy amplio en distintas aplicaciones industriales.




